Mechanický bezpečnostní zámek OX-W2-C/3C-GD-J
Kód: 5015Certifikované v EU
Všechny produkty jsou certifikovány pomocí Notified Body v EU.
Garance vrácení peněz!
Věříme si a pokud budete nespokojeni, peníze Vám vrátíme.
Testováno!
Všechny typy produktů jsme v ČR otestovali a ručíme za kvalitu!
Produkty do 14 dnů
na jakékoliv místo v rámci EU
Detailní popis produktu
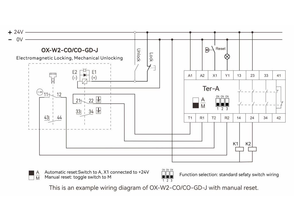
OX‑W2 Bezpečnostní spínače s blokovací funkcí
| Obchodní značka | DADISICK |
|---|---|
| Specifikace | Řada OX-W2 | OX-W2-C/3C-GD-J |
| Tovární balení: | 1 bezpečnostní zámek a 2 klíče, příslušenství, kabel |
| Materiál zámku: | Kov |
| výstupy: | 4 sady pozlacených kontaktů |
| Pevnost v tahu při uzamčení: | Uzavírací síla 1300N |
| Typ kontaktu: | 14 kombinací kontaktů |
| Volitelná funkce odemykání zad: | Kontrolka + nouzové odemykání |
| Monitorování dveří: | 1NC |
| Sledování zámku: | 3NC |
| Typy ovládacích kláves: | 11 typů |
| Osvědčení: | TUV, CE |
|
Elektrické parametry
|
||
|
Jmenovité napětí
|
24V DC
|
|
|
Jmenovitý proud
|
1 mA
|
|
|
Barva světelného zdroje
|
zelená
|
|
|
Jmenovité pracovní napětí
|
DC24V±10%
|
|
|
Jmenovitý proud
|
200 mA (počáteční hodnota)
|
|
|
Jmenovitý výkon
|
4,8 W
|
|
|
Jmenovité izolační napětí (Ui)
|
300V
|
|
|
Jmenovité impulzní výdržné napětí (Uimp)
|
2,5 kV
|
|
|
Jmenovitý otevřený tepelný proud (Ith)
|
10A
|
|
|
Jmenovitý omezený zkratový proud
|
1000A
|
|
|
Použít kategorii
|
AC-15
|
DC-13
|
|
Jmenovité pracovní napětí (Ue)
|
240V
|
30V
|
|
Jmenovitý provozní proud (Ie)
|
3A
|
2.3A
|
|
Mechanické parametry
|
||
|
Rozměry (š*v*d)
|
39*39,4*183mm
|
|
|
Třída izolace
|
Třída B (130 °C)
|
|
|
Materiál pláště
|
PA66 zpomalovač hoření
|
|
|
Kontaktní materiál
|
Pozlacená stříbrná slitina
|
|
|
Úroveň ochrany
|
IP67 (EN60947-5-1, kromě otvoru pro klíč)
|
|
|
Životnost
|
Mechanické více než 1 milionkrát
|
|
|
Elektrické spotřebiče více než 150 000 krát
|
||
|
Pevnost v tahu při uzamčení
|
1300 N
|
|
|
Síla nuceného odpojení
|
≥80N
|
|
|
Nucená vzdálenost odtržení
|
≥10 mm
|
|
|
Přípustná provozní rychlost
|
0,05-0,5 m/s
|
|
|
Přípustná pracovní frekvence
|
Až 20 operací/min
|
|
|
Údaje o životním prostředí
|
||
|
Teplota okolí
|
-20 ℃ ~ 60 ℃í
|
|
|
Vlhkost prostředí
|
Pod 85 % RH
|
|
Doplňkové parametry
| Kategorie: | POWER TO UNLOCK |
|---|---|
| Záruka: | 1 rok |
| Hmotnost: | 0.162 kg |
Buďte první, kdo napíše příspěvek k této položce.
Přidat komentář
